Jiangsu Xingtai Hydraulic Manufacturing Co., Ltd. was founded in 1992 and is located in Taizhou City, Jiangsu Province, China. The company specializes in manufacturing hydraulic wire rope pressing machines, wire rope annealing and tapering machines, aluminum sleeves, and lifting clamps. Xingtai Hydraulic is equipped with advanced production facilities, strong technical capabilities, authoritative testing equipment, and a comprehensive quality management system.
The swaging components of Xingtai Hydraulic machines are forged from high-strength alloy steel. The machine body is manufactured from a single block of material, ensuring structural integrity and long service life. Our hydraulic systems utilize a dual-pressure pump oil supply system, which enables fast upward and downward movement while ensuring a smooth pressing process. This design significantly improves pressing quality and production efficiency.
Xingtai Hydraulic machines have been exported to numerous countries, including the UK, Australia, the Netherlands, Latvia, Malaysia, Thailand, India, Russia, Botswana, Poland, and others.
Guided by the philosophy of "high quality, competitive price, and lasting commitment," we strive to meet our customers' needs and provide them with the best service. We remain dedicated to serving both existing and new clients with the same level of excellence as we work together to build a successful future.
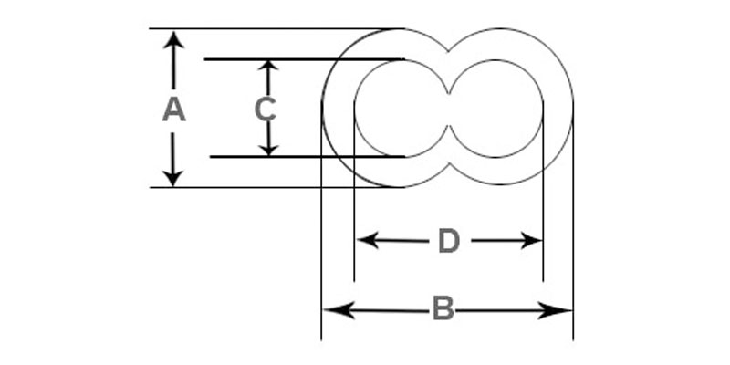
| Mode | Dia of wire rope (mm) | Dimension of aluminium sleeve (mm) | Length (mm) | Weight (g/pc) | |||
| A | B | C | D | ||||
| XTH-1/16" | 1.6 | 4.37 | 6.35 | 1.96 | 4 | 9.6 | 0.41 |
| XTH-5/64" | 2 | 5.56 | 7.95 | 2.39 | 4.8 | 9.6 | 0.73 |
| XTH-3/32" | 2.4 | 7.06 | 10.26 | 3.3 | 6.5 | 12.7 | 1.45 |
| XTH-1/8" | 3.2 | 8.71 | 12.7 | 3.96 | 7.9 | 15.9 | 2.9 |
| XTH-5/32" | 4 | 9.53 | 14.3 | 4.75 | 9.5 | 17.5 | 3.63 |
| XTH-3/16" | 5.1 | 11.2 | 16.9 | 5.66 | 11.4 | 25.4 | 7.17 |
| XTH-7/32" | 5.6 | 12.7 | 19.1 | 6.35 | 12.7 | 27 | 10.07 |
| XTH-1/4" | 6.4 | 13.61 | 20.8 | 7.37 | 14.6 | 28.6 | 11.43 |
| XTH-9/32" | 7.1 | 14.27 | 22.35 | 7.92 | 16 | 30.2 | 12.81 |
| XTH-5/16" | 8 | 17.45 | 26.19 | 9.53 | 18.3 | 31.7 | 20.41 |
| XTH-3/8" | 9.6 | 19.05 | 29.36 | 11.13 | 21.4 | 36.5 | 29.53 |
| XTH-7/16" | 11.1 | 23.8 | 36.5 | 17.7 | 25.4 | 42.8 | 53.53 |

The Aluminum Hourglass Sleeve is a precision-engineered wire rope fitting, also called hourglass ferrules, crafted from seamless aluminum via extrusion and machining for reliable performance. Its distinct hourglass shape earns it the name, optimized for hand crimping with mechanical tools—no need for hydraulic presses—making installation quick and accessible.
Designed for aluminum, high-tensile/mild steel, or galvanized wire rope (avoid pairing with stainless steel; use zinc-plated copper sleeves instead ), each size matches specific wire diameters for a snug fit. When properly swaged with a thimble (to distribute force evenly and reduce wire wear ), it delivers 90% termination efficiency, creating a permanent, secure connection.
Anodized for corrosion resistance, it thrives in marine, agriculture, construction, and stage rigging environments—even with saltwater exposure. Its lightweight yet strong aluminum build keeps assemblies low-profile, avoiding obstruction of winches or pulleys.
Bespoke sizes are available, and it meets ISO 9001 and CE standards. For safety, follow manufacturer swaging guidelines and verify with a go/no-go gauge, especially for critical lifting. A durable, cost-effective choice for wire rope splicing and termination.
English
русский
Français
Español
Português
Deutsch
عربى
Türk




