Jiangsu Xingtai Hydraulic Manufacturing Co., Ltd. was founded in 1992 and is located in Taizhou City, Jiangsu Province, China. The company specializes in manufacturing hydraulic wire rope pressing machines, wire rope annealing and tapering machines, aluminum sleeves, and lifting clamps. Xingtai Hydraulic is equipped with advanced production facilities, strong technical capabilities, authoritative testing equipment, and a comprehensive quality management system.
The swaging components of Xingtai Hydraulic machines are forged from high-strength alloy steel. The machine body is manufactured from a single block of material, ensuring structural integrity and long service life. Our hydraulic systems utilize a dual-pressure pump oil supply system, which enables fast upward and downward movement while ensuring a smooth pressing process. This design significantly improves pressing quality and production efficiency.
Xingtai Hydraulic machines have been exported to numerous countries, including the UK, Australia, the Netherlands, Latvia, Malaysia, Thailand, India, Russia, Botswana, Poland, and others.
Guided by the philosophy of "high quality, competitive price, and lasting commitment," we strive to meet our customers' needs and provide them with the best service. We remain dedicated to serving both existing and new clients with the same level of excellence as we work together to build a successful future.
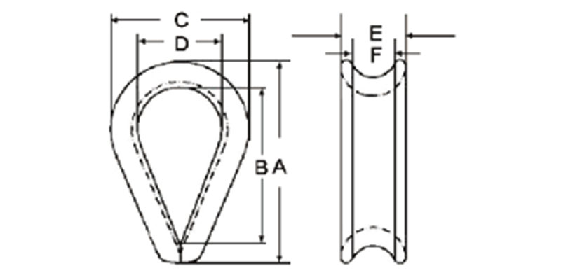
| Size (mm) | Dimensions(mm) | WT/PC(kg) | |||||
| A | B | c | D | E | F | ||
| 3 | 28 | 19 | 18.5 | 12 | 6 | 3 | 0.5 |
| 4 | 30 | 21 | 20.5 | 13 | 7 | 4 | 0.8 |
| 5 | 33 | 23 | 22.5 | 14 | 8 | 5 | 1 |
| 6 | 39 | 26 | 27 | 16 | 10 | 6 | 1.6 |
| 7 | 43 | 30 | 30 | 18 | 11 | 7 | 1.9 |
| 8 | 48 | 32 | 33 | 20 | 12 | 8 | 3 |
| 10 | 58 | 38 | 39 | 24 | 14 | 10 | 4.7 |
| 12 | 69 | 45 | 47 | 28 | 17 | 12 | 6.8 |
| 13 | 73 | 48 | 50 | 30 | 18 | 13 | 8 |
| 14 | 77 | 51 | 53 | 32 | 19 | 14 | 10 |
| 16 | 88 | 58 | 60 | 36 | 22 | 16 | 14.5 |
| 17 | 95 | 61 | 65 | 38 | 25 | 17 | 18 |
| 18 | 100 | 64 | 68 | 40 | 26 | 18 | 20 |
| 20 | 113 | 72 | 75 | 45 | 28 | 20 | 29 |
| 22 | 123 | 80 | 82 | 50 | 30 | 22 | 32 |
| 24 | 135 | 90 | 92 | 56 | 34 | 24 | 47 |
| 26 | 145 | 99 | 100 | 62 | 36 | 26 | 59 |
| 28 | 162 | 112 | 110 | 70 | 38 | 28 | 80 |
| 30 | 175 | 120 | 120 | 75 | 42 | 30 | 110 |

Wire rope thimbles are small, durable fittings designed to reinforce the eyes (loops) of wire ropes, preventing wear, kinking, and premature failure at connection points. Made from corrosion-resistant materials like galvanized steel, stainless steel, or aluminum, they suit indoor, outdoor, marine, and industrial environments.
Core Functions
Prevent Wear: They create a smooth, rigid inner surface for the rope eye, avoiding direct friction between the rope and hardware (e.g., shackles, hooks) that causes fraying.
Maintain Rope Integrity: By preserving the rope’s natural shape, thimbles stop kinking or crushing—common issues that weaken rope strength over time.
Boost Load Safety: They distribute tension evenly across the eye, ensuring the rope handles rated loads without stress concentration at connection points.
Key Features & Applications
Material Options: Galvanized steel for general use, stainless steel for saltwater/moist settings, and aluminum for lightweight needs.
Size Matching: Available in sizes (e.g., 1/8” to 1”) to fit specific wire rope diameters—always pair with the correct size for optimal performance.
Common Uses: Ideal for lifting gear, marine rigging, construction, agriculture, and DIY projects (e.g., securing boat docks, hanging heavy fixtures).
Easy to install with wire rope clips or swages, these thimbles extend rope lifespan and reduce safety risks, making them a cost-effective addition to any wire rope setup.
English
русский
Français
Español
Português
Deutsch
عربى
Türk




